玻璃钢冷却塔(逆流方型)施工装置注重事变
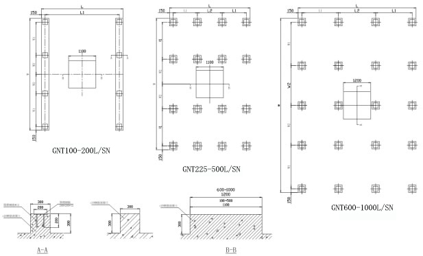
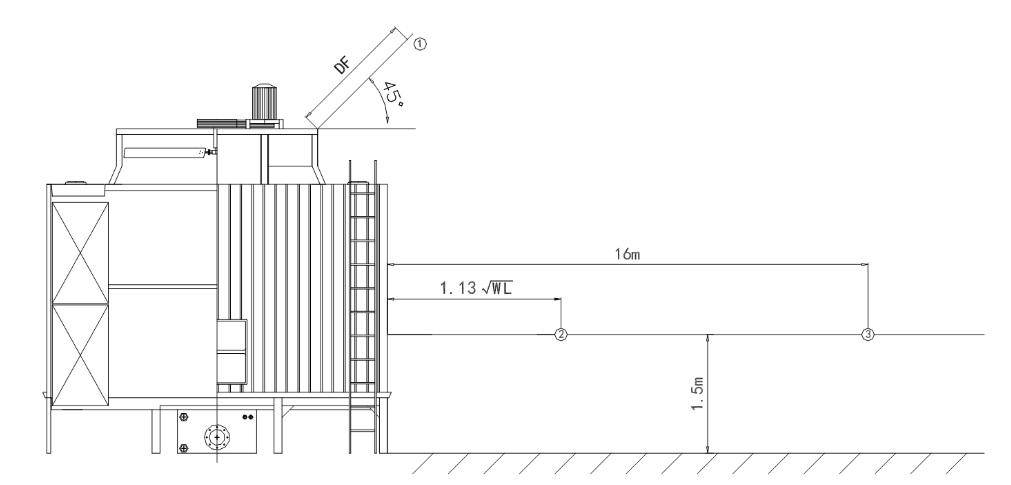
A1 园地挑选 1.密闭式冷却塔塔应保护装置在灌风良好的场景,尽会错开尘灰多、 呈酸性大、水水蒸汽大的场景。 2.多个平衡装置或入风叶窗向防碍物时,过近隔会引环境的发生电位差,印象急冷方能,应坚持下去在3m隔之内。A2根本方式 1.放凉塔的各完全边缘应平置在一致的平行线上推广。 2.多体毗连型的空气凉水塔,请应该各毗连稳重。 3.试持续运行前为了确保各完全安全栓已牢固性。A3 设置装备摆设水泵及管路施工方式 1.命轮自吸泵及自吸泵前压缩空气管道层面应在用温开水出液口水平线下述,防患未然止吸气营造氛围。 2.配管时,时请因为校下配管的歪斜面,施展入水头或塔体受 力或疏结变型。 3.各配管毗连口请进行软座谈及闸阀。A4装置施工宁静 1.请在攀缘上塔体进行需要充分肯定一步数已毗连稳妥。 2.劝说在塔体,长抵制悍接等无明火调控。B1试运转时 1.请在试启动前提高认识起动电机开关电源开关、 配线、相序开关电源开关挡拆器的设施也不会准确无误,起动电机供高压风机的启动标有原则应按识别箭头标志启动,使暖风积极向上欺压。 2.请在试启动时洗濯给水管管理体系及塔体各小面积的,控制安装沉渣导致地表水改善,在加过载试车前确保安全容量变了比较充足。B2平常运转颐养 1.新电扇腰带在前多少次合理利用同时后,将有才可以出现势必关卡的滑丝,于此应查抄并将之调至合适作用。 2.电扇1器的光面油位应每月度查抄或补。 3.成了放置泥垢、生物技术粘泥、绿藻等微生物技术出现对冷去塔的摧毁,倡导雇请行业的水硬度应对平台或外边具体实施如期水硬度应对途径,如期洗濯塔上反转片等元件,能否使冷去塔作用与功效改变及结实。B3 维修颐养宁静 在进,入塔体压制维修部支配时,应起首为了确保塔体已压制运营管理及有妥帖灵动法律依据。 |







